Сварка, резка и пайка металлов |
Стыковая контактная сварка
На фиг. 155 изображена контактная машина для стыковой сварки типа АСА-60 с ручным управлением, в которой производится вручную как зажатие деталей, так и осадка в конце сварки. Станина машины делается чугунной литой или сваривается из листовой и профильной конструкционной стали. Машина имеет горизонтальный рабочий стол, однако стыковые машины могут иметь также наклонный или вертикальный рабочий стол. Для зажатия деталей применяются различные зажимные приспособления.
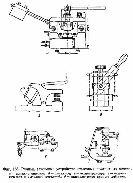
Ручные зажимные устройства контактных машин показаны на фиг. 156. Зажимное устройство должно обеспечивать прочное зажатие изделий, устраняющее возможность смещения изделий в процессе сварки. Для увеличения силы трения между зажимом и изделием одну половину зажима часто делают стальной и снабжают насечкой, вторая половина изготовляется медной или из медного сплава и несёт функции электрода, подводящего ток к изделию. Для разгрузки зажимного приспособления от усилий осадки иногда применяют упоры или упорные приспособления. Упор принимает на себя основную часть давления осадки, а зажим несёт главным образом функции подведения тока к изделию.

Зажатие изделий в зажимных приспособлениях требует довольно значительных физических усилий от рабочего, обслуживающего машину. В особенности трудной становится эта работа в быстродействующих машинах и при значительных сечениях изделий, когда зажимное давление достигает нескольких тонн. В подобных случаях современные контактные машины снабжаются зажимными приспособлениями с пневматическим, гидравлическим, обычно масляным, или моторным приводом.
Процесс осадки в простейших небольших контактных машинах выполняется вручную. Для создания необходимой величины давления осадки пользуются рычажными, винтовыми, кулачковыми и т. п. устройствами. Необходимая величина давления осадки для обычных малоуглеродистых сталей колеблется в пределах 2—5 кг/мм2. Таким образом, даже сравнительно небольшое сечение свариваемых деталей в 1000 мм2 требует давления осадки от 2 до 5 т. При более крупных сечениях давление осадки может достигать 10—20 т и выше. Передача такого усилия и выполнение довольно значительной работы на протяжении всего процесса осадки требуют больших физических усилий от работающего. Особенно тяжёлой становится работа при высокой производительности контактных машин и значительных сечениях свариваемых деталей.

Поэтому механизация процесса осадки является более необходимой, чем механизации процесса зажатия. Приводы осадочных устройств могут быть гидравлическими, пневматическими или моторными.
В табл. 19 приведены технические данные стыковых контактных. машин, наиболее распространённых в нашей промышленности.

Стыковая контактная сварка имеет две основные разновидности: сварка без оплавления, иногда называемая сваркой сопротивлением, и сварка оплавлением. Первый способ состоит в следующем: детали, зажатые в машине, доводятся до соприкосновения и сжимаются под небольшим давлением, обеспечивающим удовлетворительный контакт свариваемых поверхностей. Затем включается сварочный ток, который разогревает металл изделия, в особенности зону, прилегающую к контакту, так как здесь имеется значительное переходное сопротивление контакта. Сварщик наблюдает за разогревом металла и после нагрева до сварочного жара (яркобелое каление для малоуглеродистой стали), производит осадку, одновременно выключая сварочный ток прерывателем. Место сварки имеет значительное усиление вследствие высадки металла.
Сварка без оплавления пригодна и даёт хорошие результаты для металлов, обладающих хорошей свариваемостью в пластическом состоянии, как, например, малоуглеродистая сталь. Соединяемые детали должны быть однородны по металлу.
Сечение участка сварки должно быть простым, компактным, с небольшим отношением периметра к сечению. Такими сечениями являются, например, круг, квадрат, прямоугольник с малым отношением сторон. Сечения с более развитым периметром: тонкая полоса, тонкостенная труба, угольник, двутавр , рельс и т. п. мало пригодны для сварки без оплавления, так как при этом трудно обеспечить необходимое равномерное распределение тока по площади сечения. В подобных более трудных случаях применяется стыковая сварка оплавлением. Сварка оплавлением, в свою очередь, делится на две разновидности: прерывистое и непрерывное оплавление. При прерывистом оплавлении детали, зажатые в машину, в первой стадии оставляются разъединёнными, включается сварочный ток, гак что между деталями имеется напряжение холостого хода вторичной цепи. Затем детали приводятся в кратковременное соприкосновение и снова разъединяются разведением на небольшое расстояние.
При разъединении деталей происходит размыкание сварочного тока силою в тысячи и десятки тысяч ампер, что сопровождается сильным искрением и разбрызгиванием расплавленного металла, вылетающего в виде снопа искр и брызг в плоскости стыка на расстояние до нескольких метров в мощных машинах под действием магнитного поля вторичного контура. Повторяя ряд быстро следующих одно за другим замыканий и размыканий сварочной цепи, можно в короткое время вызвать оплавление всего сечения сварки.
При размыканиях в первую очередь обгорают неровности и выступы на свариваемых поверхностях, которые постепенно выравниваются (фиг. 157). Когда достигнуто равномерное оплавление всей поверхности свариваемого участка, производят быструю осадку с приложением повышенного давления, и в процессе осадки выключают сварочный ток. Приложение значительного давления ведёт к тому, что весь, или почти весь расплавленный металл выдавливается из зоны сварки, образуя так называемый грат, а место сварки получает сравнительно небольшое усиление (фиг. 158). Грат, содержащий большое количество окислов металла, механически непрочен и легко удаляется со сварного стыка.

Сварка оплавлением имеет ряд существенных преимуществ. Металл, подлежащий сварке, даже если он плохо сваривается в пластическом состоянии, часто хорошо поддаётся сварке оплавлением, например технически чистые медь и алюминий. Можно сказать, что почти все технически важные металлы и сплавы могут быть сварены по способуоплавления .

В процессе оплавления сжигаются все выступы и неровности на поверхности сварки, выравнивается сечение, поэтому поверхность стыка под сварку не требует какой-либо особой подготовки и детали могут идти на сварку из-под ножниц, пилы, пресса и т. п. В процессе оплавления сгорают и удаляются вместе с расплавленным металлом загрязнения его поверхности, поэтому при сварке оплавлением поверхность сварного стыка не требует особой очистки.
Выравнивание сечения в процессе оплавления позволяет равномерно оплавить и разогреть сечения даже очень сложной формы, с сильно развитым периметром, например, успешно могут быть сварены листы толщиной 1 мм при длине сварного стыка 1200— 1300 мм. Могут быть сварены в довольно широких пределах разнородные металлы, например быстрорежущая и углеродистая сталь, Медь и алюминий и т. п., несмотря на значительные различия их физических свойств. Указанные преимущества обеспечили сварке оплавлением широкое применение в промышленности, поэтому современные стыковые машины обычно приспособлены к этому процессу. Некоторым недостатком сварки оплавлением является довольно значительное обгорание металла в процессе сварки, что может иметь значение при высокой стоимости металла, например быстрорежущей стали.
Сварка оплавлением может производиться и при непрерывном сближении деталей, при условии, что оно происходит достаточно медленно и равномерно. Процесс в этом случае идёт следующим образом. Зажатые в машину и разъединённые детали включаются под напряжение вторичной цепи, затем начинается медленная подача деталей в сторону сближения. Соприкосновение происходит сначала лишь в немногих отдельных физических точках, в которых возникают весьма высокие плотности тока, вследствие замыкания сварочной цепи. В результате происходит местное расплавление и испарение металла, который выбрасывается наружу в плоскости стыка действием магнитного поля. Контакт в точках первоначального соприкосновения нарушается, но вследствие непрерывного перемещения деталей в соприкосновение входят новые точки, процесс повторяется, и т. д. Наблюдается непрерывное расплавление и выбрасывание металла из плоскости стыка, между деталями наблюдается непрерывное прохождение тока по кратковременным мостикам жидкого металла. Когда будет достигнуто равномерное и достаточное оплавление всей поверхности стыка, производится осадка значительным давлением, прилагаемым очень быстро и носящим характер толчка или удара. Равномерность подачи, требующейся при сварке непрерывным оплавлением, трудно выполнима при ручной работе, и этот процесс осуществляется обычно лишь на машинах с механизированным электромоторным приводом осадки. Осадочное давление передаётся профильным кулачком (фиг. 159).
Способ непрерывного оплавления весьма удобен для массового производства однотипных деталей на стыковых машинах с моторным приводом. На стыковых машинах могут быть сварены также стыки в замкнутых контурах, например в ободьях колёс, звеньях цепей и т. п. При сварке замкнутого контура лишь часть тока идёт через свариваемый стык, часть же шунтируется сплошным металлом (фиг. 160). Поэтому при сварке замкнутых контуров приходится увеличивать подводимую мощность, так как полезно используется лишь часть её. Увеличение мощности при сварке замкнутого контура, в зависимости от его размеров, составляет 20—50% мощности, необходимой для сварки открытого незамкнутого контура. Замкнутые контуры могут свариваться как без оплавления, так и оплавлением прерывистым и непрерывным: чаще применяется последнее.
Контактные машины малой мощности успешно применяются для стыковой сварки проволок стальных и из цветных металлов, например на заводах проволочных и кабельных. Машины большей мощности успешно применяются для сварки арматурного железа, для железобетона, что даёт возможность использовать арматурный материал целиком без отходов.
Стыковая контактная сварка широко применяется в различных отраслях машиностроения, например в производстве автомобилей, сельхозмашин. Сварными изготовляются ободья всевозможных колёс повозок, сельхозмашин, автомобилей, велосипедов, мотоциклов, самолётов и г. д.

Существенное значение имеет стыковая сварка в производстве составного сварного металлорежущего инструмента. Рабочая часть инструмента изготовляется из быстрорежущей стали, а хвостовина или державка — из дешёвой углеродистой инструментальной стали. Этот процесс даёт значительную экономию расхода дорогой и дефицитной быстрорежущей стали. В больших количествах свариваются стыки труб различных диаметров. Существенное значение имеет сварка рельсового стыка, впервые широко освоенная на железнодорожном транспорте в Советском Союзе. Для осуществления сварки организованы специальные рельсосварочные поезда, представляющие собой своеобразные передвижные заводы.
Заслуживает внимания оригинальный способ стыковой сварки, предложенный советским изобретателем А. М. Игнатьевым, имеющий существенное значение для изготовления сварного металлорежущего инструмента. При нормальном способе стыковой контактной сварки электрический ток и давление осадки направлены нормально к поверхности стыка. При сварке по способу Игнатьева давление также прилагается нормально к поверхности стыка, но электрический ток проходит параллельно поверхности стыка (фиг. 161).
Способ Игнатьева даёт возможность приваривать сравнительно тонкие пластины большой площади, изготовлять многослойные стальные ленты для режущих лезвий и пр.





